Ultradent™ Porcelain Etch and Silane
Free Standard Shipping on All Orders $285+
Instructions for Use (IFU)
Safety Data Sheets (SDS)
Product Allergens
See any common allergens this product may contain >>Price breaks are offered on most items...
This amount is an estimate based on retail price. The actual amount due (shown at the final stages of your order) may be different from what is displayed here.
Return Policy
Items returned within 30 days of purchase with a return authorization number on the outside and inside of the return box will be credited 100%. Product returned between 31 and 60 days from purchase date is subject to a 20% restocking fee. Ultradent will not accept returns after 60 days. Errors in shipment must be reported within 14 days of invoice date. All return authorization numbers become invalid 90 days after date of issue. A return authorization number must accompany all returns to receive proper credit. Please contact Customer Service at 800.552.5512 for assistance.
Limited Warranty
Ultradent 90-second Porcelain Etch is used to etch porcelain veneers, crowns, bridges, inlays, onlays, and fractured dental porcelain. Ultradent 60-second Silane is used after hydrofluoric acid etching to prepare the surface for bonding resin.
Studies have demonstrated that Silane, when used with Porcelain Etch and a quality bonding resin, yields the highest bond strength to porcelain when compared with other porcelain bonding products.1 Both Porcelain Etch and Silane may be used intraorally or extraorally.
- Porcelain Etch is a viscous, buffered 9% hydrofluoric acid
- Etch is easy to control and place
- Will not stain composite or resin cement
- Silane is a single-component solution
- Yields the highest porcelain-to-resin bond strengths1
- Ultradent Porcelain Etch and Silane may also be used on lithium disilicate (IPS e.max *) restorations2
- For Porcelain Etch, use with Inspiral Brush tips. For Silane, use with Black Mini Brush tips.
- Certified gluten free
















Technical Details
Viscous, Buffered 9% Hydrofluoric Acid
Porcelain Etch is a buffered, gelled hydrolic acid designed specifically to etch fractured dental porcelain and etching porcelain veneers, crowns, or inlays. It can also be used for etching porcelain crowns before bonding orthodontic brackets. It is buffered and gelled to minimize any irritation that could occur from the hydrofluoric acid vapor.
Etch is Easy to Control and Place
Porcelain Etch features a high visibility yellow hue so you can see exactly where it is placed. It is also viscous enough to stay where you place it.
Designed to Work Together
Porcelain Etch and Silane are designed to be used together when etching porcelain to provide high porcelain-to-resin bond strengths. Studies have demonstrated that Silane, when used with Porcelain Etch and a quality bonding resin, yields the highest bond strength to porcelain when compared with other porcelain bonding products.1
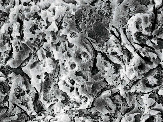
Clinicals
Porcelain Surface Before and After Porcelain Etch

Diamond-cut porcelain surface. (Photo courtesy of Dr. Cornelis Pameijer)

Same porcelain surface following a 90-second etch with Ultradent Porcelain Etch. (Photo courtesy of Dr. Cornelis Pameijer)
Procedures
Preparing the Porcelain
See Instructions for Use for complete instructions, warnings, and precautions.
Step 1

Etch clean bonding surface with Porcelain Etch for 90 seconds, rinse, and dry.
Step 2

CLINICAL TIP: Apply phosphoric acid (Ultra-Etch™ etchant) for five seconds to remove porcelain salts and debris formed by hydrofluoric acid etching. Rinse and air dry.
Step 3

Apply a puddle coat of Silane to inside surface for 60 seconds, dry, and set prosthesis aside. Do not rinse.
Frequently Asked Questions
-
When should I use Porcelain Etch and Silane?
Porcelain Etch and Silane can be used for etching porcelain, lithium disilicate, lithium silicate and other silica-based materials. It is not indicated for use with zirconia.
-
Will the Porcelain Etch stain composites or resin cements?
No, Porcelain Etch is a predictable, stain-free chemistry designed to give high visibility without discoloring materials.
-
Can Porcelain Etch be used intraorally?
Yes! Porcelain Etch is ideal for use with intraoral porcelain etching, but a rubber dam or EtchArrest must be used to protect nearby tissue and restorations.
-
Can silane turn yellow?
Yes, silane can turn yellow due to factors such as UV or water exposure, which cause polymerization or hydrolysis, respectively; oxidation; or product expiration, all of which impact a product's efficacy and longer-term use. We recommend replacing any discolored silane products to ensure optimal efficacy.
Research & Studies
Repairing fractured porcelain: how surface preparation affects shear force resistance.
Pameijer CH, Louw NP, Fischer D. Repairing fractured porcelain: how surface preparation affects shear force resistance. J Amer Dent Assoc. 1996;127(2):203-9.
http://www.ncbi.nlm.nih.gov/pubmed/8682989 – Pameijer CH, Louw NP, Fischer D.